
Automatic Laminating System
The Foliant Vega 530A is a compact, heavy-duty automatic laminator designed for in-house lamination of digital and offset output. With its integrated vacuum belt feeder, pneumatic bump separator, and twin adjustable de-curling bars, this system delivers high-quality results with minimal operator intervention. An internal compressor, icon-driven touchscreen, and high-speed sheet handling make the Vega 530A a versatile, industrial solution for professional print environments.
Key Features
🔷 Automatic Suction Feeder – Rising pile stream feeder with vacuum belt head and 13.7” stack capacity.
🔷 Twin Adjustable De-Curl System – In-run adjustable blade for offset prints, roller for digital toner.
🔷 Pneumatic Pressure System – Built-in compressor eliminates the need for external air.
🔷 High-Speed Bump Separator – Separates laminated sheets automatically with clean delivery.
🔷 Chrome & Rubber Lamination Rollers – Heated chrome upper roller with in-roll temp sensor, hard rubber lower roller.
🔷 Quick-Change Film Shaft – Supports 24–42μm films with in-line slitter and perforator.
🔷 Icon-Based Touchscreen Interface – Controls temperature, pressure, overlap, and separation timing.
🔷 Compact, Industrial Build – Footprint suited for production facilities handling medium to high volumes.
Specifications
| Specification | Details |
|---|---|
| Max Sheet Size | 20.8” x 29.5” (530 x 750 mm) |
| Min Sheet Size | 7.8” x 11.8” (200 x 300 mm) |
| Paper Weight | 115 – 500 gsm |
| Max Speed | 59 ft/min (18 m/min) |
| Max Performance | 1,550 SPH (19.7” x 27.8”), 3,000 SPH (14” x 20”) |
| Film Compatibility | BOPP (24–42μm); Nylon (24–35μm with pneumatic sep.) |
| Overlap Accuracy | ±0.08” (±2 mm) |
| Warm-Up Time | Under 10 minutes |
| Power Requirements | 1-phase, 230–240V, 50–60Hz |
| Power Consumption | 3,850 W |
| Compressor | Integrated |
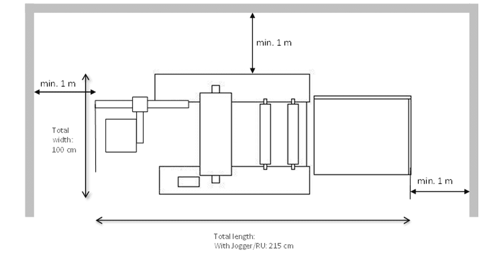
| Machine Footprint | 39.3” W x 84.6” L (with jogger) |
| Machine Weight | 859 lbs (390 kg) |
Applications
📚 Book Covers & Manuals – Gloss or matte finishes for digital and offset publishing.
📄 Marketing Materials – Finish brochures, flyers, and business cards with durable lamination.
🛍 Product Cards & POP Signage – High-quality lamination for retail display and packaging inserts.
📦 In-Plant Print Runs – Reliable output for corporate print departments and quick-turn jobs.
Available Options
📍 Jogger 530 – Vibrating sheet stacker for automated alignment (3.9” pile).
📍 Reception Unit 530 – Manual tray for organized stacking of laminated sheets.
📍 Foliant Foiler – Applies metallic and spot varnish films (gold, silver, red, etc.).
📍 Non-Sticky Pressure Roller – Prevents glue buildup and enables lamination of windowed sheets.
📍 Extra Film Roll Shaft – For faster film swap during long runs.
📍 Pneumatic Separation Upgrade – Offers fine-tuned timing and compatibility with Nylon film (requires external air).
📍 Air Shaft – Tool-free, quick-change film loading (requires pneumatic separation).
⚠️ Machine must be operated with either a Jogger or Reception Unit.
Benefits
✅ Automated lamination and separation in a compact, industrial-grade footprint.
✅ Handles digital and offset jobs with variable overlap and de-curl settings.
✅ Reduces operator workload with built-in air, auto feed, and touchscreen controls.
✅ Expandable with premium upgrades for foiling, anti-static, or heavier film processing.
✅ Reliable and efficient for short runs or high-volume finishing.
Contact Us